, ,

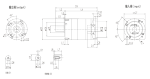
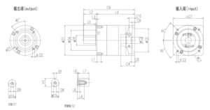
AE Series

Dimension: 60,80,90,120,160

High Torque Planetary Gear Transmission Gearbox for Industrial Machinery

Basic Info

 

WeChat

Scan to WeChat