,

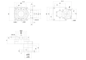
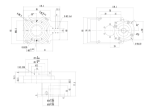
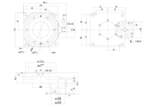
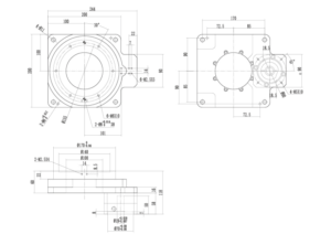
AH Series

Dimension: 60,85,130,200

Precision Hollow Rotary Table Reducer with Factory Price for Positioning Automation Equipment

Basic Info

 

Specification

 

WeChat

Scan to WeChat